
BX型垫片
BX型RTJ垫圈制造符合API 6A、6B和ASME b16.20标准,适合API ASME/ANSI B16.5法兰。
样式RX是一个压力能量适应的标准样式R垫片。RX的设计,以适应同一个标准的R R槽设计,使接合互换。修改后的设计采用了压力能量影响。提高密封效率作为系统内部压力增加。
压力:5000-20000 PSI
公差:(mm)
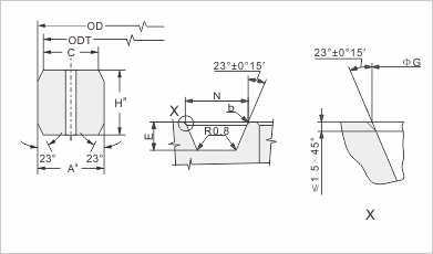
A *(环的宽度)
+ 0.20,-0.000
*(孔尺寸)
±0.5
h(环的高度)
+ 0.20,-0.000
外径(外径)
0、-0.150
23 *(角)
1/4°
注1:环的半径应为8%~12%的环高度H。
一个压力通道孔要求每环中心线*宽度* *和高* H * 0.008inches加公差是允许的。只要宽度或高度的变化在整个圆周上不超过0.004英寸
也可用于海底应用设计。
|
环号 |
PRESSLURE ALASSES, API 6BX |
外直径 |
环高 |
环宽 |
孔尺寸 |
环垫重量Ibs. |
|||||
|
2000 |
3000 |
5000 |
10000 |
15000 |
20000 |
||||||
|
Bx150 |
- |
- |
- |
1 11/16 |
1 11/16 |
- |
72.19 |
9.30 |
9.30 |
1.59 |
0.295 |
|
Bx151 |
- |
- |
- |
1 13/16 |
1 13/16 |
1 13/16 |
76.40 |
9.63 |
9.63 |
1.59 |
0.337 |
|
Bx152 |
- |
- |
- |
2 1/16 |
2 1/16 |
2 1/16 |
84.68 |
10.24 |
10.24 |
1.59 |
0.425 |
|
Bx153 |
- |
- |
- |
2 9/16 |
2 9/16 |
2 9/16 |
100.94 |
11.38 |
11.38 |
1.59 |
0.632 |
|
Bx154 |
- |
- |
- |
3 1/16 |
3 1/16 |
3 1/16 |
116.84 |
12.40 |
12.40 |
1.59* |
0.875 |
|
Bx155 |
- |
- |
- |
4 1/16 |
4 1/16 |
4 1/16 |
147.96 |
14.22 |
14.22 |
1.59 |
1.22 |
|
Bx156 |
- |
- |
- |
7 1/16 |
7 1/16 |
7 1/16 |
237.92 |
18.62 |
18.62 |
3.18 |
4.14 |
|
Bx157 |
- |
- |
- |
9 |
9 |
9 |
294.46 |
20.98 |
20.98 |
3.18 |
6.55 |
|
Bx158 |
- |
- |
- |
11 |
11 |
11 |
352.04 |
23.14 |
23.14 |
3.18 |
9.60 |
|
Bx159 |
- |
- |
- |
13 5/8 |
13 5/8 |
13 5/8 |
426.72 |
25.70 |
25.70 |
3.18 |
14.41 |
|
Bx160 |
- |
- |
13 5/8 |
- |
- |
- |
402.59 |
23.83 |
13.74 |
3.18 |
6.75 |
|
Bx161 |
- |
- |
16 3/4 |
- |
- |
- |
491.41 |
28.07 |
16.21 |
3.18 |
- |
|
Bx162 |
- |
- |
16 3/4 |
16 3/4 |
16 3/4 |
- |
475.49 |
14.22 |
14.22 |
1.59 |
- |
|
Bx163 |
- |
- |
18 3/4 |
- |
- |
- |
556.16 |
30.10 |
17.37 |
3.18 |
- |
|
Bx164 |
- |
- |
- |
18 3/4 |
18 3/4 |
- |
570.56 |
30.10 |
24.59 |
3.18 |
- |
|
Bx165 |
- |
- |
21 1/4 |
- |
- |
- |
624.71 |
32.03 |
18.49 |
3.18 |
- |
|
Bx166 |
- |
- |
- |
21 1/4 |
- |
- |
640.03 |
32.03 |
26.14 |
3.18 |
- |
|
Bx167 |
26 3/4 |
- |
- |
- |
- |
- |
759.36 |
35.87 |
13.11 |
1.59 |
- |
|
Bx168 |
- |
26 3/4 |
- |
- |
- |
- |
765.25 |
35.87 |
16.05 |
1.59 |
- |
|
Bx169 |
- |
- |
- |
5 1/8 |
- |
- |
173.51 |
15.85 |
12.93 |
||